
1.在弹线放样过程中,预埋件与结构检查的工作相继展开,依据1-1轴线处检查为起始点,进行预埋件与结构的检查,并进行记录,参见检查表。
2.依据预件的编号图,依次逐个进行检查,将每一编号处的结构偏差,与埋件的偏差值记录下来,提交反馈给设计进行分析,对偏位>45mm以上埋件进行补救措施,同时记录结构偏差大于设计标准的,请总承包单位进行配合处理。
3.若预埋件结构偏差较大,已超出施工各范围或垂直度达不到国家和地方标准的,则应将报告以及检查数据,呈报给业主、监理、总包,并提出建议性方案供有关部门参考,待业主、监理、设计同意后再进行施工。
4.若偏差在范围内,则依据施工图进行施工。
5.埋件上下、左右的检查
依据十字中心线,施工人员用尺子进行测量,检查出埋件左右、上下的偏差。

6.埋件进出检查
埋件进出时,测量放线人员从首层与顶层用钢线检查,一般在15米左右布置一根钢线,为减少垂直钢线的数量,横向使用鱼丝线进行结构检查,检查尺寸计算:理论尺寸-实际尺寸=偏差尺寸。

7.埋件检查的记录

注:编号要能清楚的反映出结构或埋件的位置,后置埋件在备注栏内注明锚固质量。
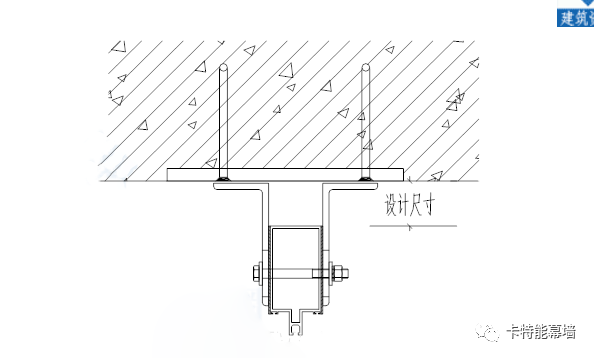
1、预埋件检查完毕后,将记录表整理成册,用尺寸计算的方法对每个埋件尺寸进行分析,依据施工图给定的尺寸,检查结构尺寸是否超过设计尺寸偏差。设计尺寸参见下图:

2、依据测量所得的结构偏差表,经计算超过设计尺寸,首先与设计进行沟通,将检查表提交给设计进行分析,若偏差超出设计范围,则要报告业主、监理和总包,共同做出解决方案。推荐以下方案:
(1)土建将偏差结构进行剔凿;
(2)将玻璃完成面向外推移;
(3)部分剔凿、部分推移。
1.当锚板预埋左右偏差大于30mm时,角码一端已无法焊接,如图a.当哈芬槽式埋件大于45mm时,一端则连接困难,如图b。

2.预埋件若超过偏差要求,应采用与预埋件等厚度、同材质的钢板进行补板。锚板埋件补埋一端采用焊接方式,另一端采用化学螺栓固定,平板埋件如图a,哈芬式埋件如图b。


1.埋件发生偏差,因将结构检查表提供给设计,设计师依据偏差情况制订埋件偏差施工方案,以及补埋的方式,并提供施工图及强度计算书,然后根据施工图进行施工。
2.埋件补埋施工图及强度计算书应提交给业主、监理认可,待确认后方可施工。
3.化学锚栓在施工之前应进行拉拔试验,按照各种规格每三件为一组,试验可在现场进行。如图示:


1.测量放线人员将打化学锚栓位置用墨线弹在结构上,施工人员依据所弹十字定位线进行打孔。图示:

2.为确保打孔深度,应在冲击钻上设立标尺,控制打孔深度。冲击钻如下图示:

3.打孔深度及打孔直径依据下表进行, 混凝土配孔直径(适应ASQ 混凝土强度为C25~C60)

注:
a.由于同一种直径的螺杆长度并不相同,故钻孔深度仅供参考;
b.安全剪力和安全拉力是根据不同混凝土强度等级而测定的,不能作为设计施工依据,实际承受能力应以现场的拉拔实验为准。
4.在混凝土上打孔后,应吹去孔内的灰尘,保持孔内清洁,项目质量员应跟踪监督检查。
5.打完孔后,将玻璃管药剂放入孔中,再将锚栓进行安装。放入螺杆后高速进行搅拌(手枪钻转速为750转/秒),待洞口有少量混合物外露后即可停止。

6.打孔后各项数据要求,化学锚栓深度一定要达到标准,严禁将锚栓长度割短,化学锚栓与混凝土面应尽量成900角,即垂直于混凝土面。图示:
7.当化学螺栓施工完毕后,不能立即进行下一步施工,而必须等到螺栓里的化学药剂反应、凝固完成后方可开始下步施工。具体时间见下表示:


联 系 我 们